Download Murray Snowblower Parts Belts PNG

Please consult your owner's manual to confirm correct part number.

Download Murray Snowblower Parts Belts PNG. The same procedure will apply to many models of. Description oem replacement belt murray 319596ma replaces oem murray319596, 319596ma fits models murray3 and 4.5 hp, 20 snowblowers specs belt applicationdrive belt typemulti ribbed length35 1/2 width1/2 packaging typebranded sleeve.

Amazon Com Murray 3949ma Snowblower Belt Guide Genuine Original Equipment Manufacturer Oem Part Lawn Mower Parts Garden Outdoor
Amazon Com Murray 3949ma Snowblower Belt Guide Genuine Original Equipment Manufacturer Oem Part Lawn Mower Parts Garden Outdoor from images-na.ssl-images-amazon.com
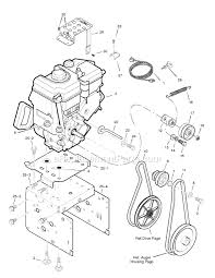
I lost my auger drive belt on my murray snowblower, but i don't see how to actually replace the belt. Whether you need a belt, a. (updated 01/15/2012) find out what causes riding lawnmower belts to break or fly off the pulleys.

Skids murray snowblower solenoids murray snowthrower parts murray solenoids murray spark plugs murray spindles and spindle parts murray springs murray starter rope murray steering parts murray tires and wheels murray tools murray trimmer line murray wiring harness view all oem.

Certain murray parts can now be ordered online through the repair parts & maintenance products section of the briggs & stratton website. I have replaced it and still happening. In this easy to follow video tutorial i show you how to replace the auger belt on your murray snowblower. More ordering options for murray belts at the bottom of the size chart.